Описание
Отзывы
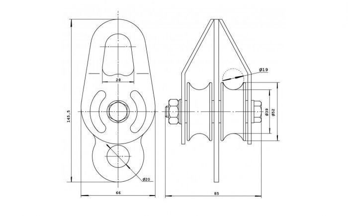
Блок-ролик предназначен для организации полиспастов, технических подъемных систем и подъема/спуска грузов. Допускает использование как одинарной, так и двойной веревки. Ролики смонтированы на одной оси. Блок имеет дополнительную точку присоединения, что позволяет создавать сложные полиспастные системы.
Характеристики
| Бренд | Орион-Альп |
| Вес, гр.: | 900 |
| Диаметр верёвки: | до 18 мм |
| Диаметр шкивов, мм: | 39/52 |
| Материал корпуса: | Конструкционная сталь |
| Материал роликов: | Конструкционная сталь |
| Наличие подшипников: | Есть |
| Предельная нагрузка, кгс.: | 2500 |
Характеристики
Производитель
Отзывов ещё нет — ваш может стать первым.
Все отзывы 0
Подборки товаров в категории














